Eberscpächer D5WS ja WSC lämmitin on vielä hyvin yleinen laite monessa paikassa, koska sitä valmistettiin todella pitkään. Tätä pannua löytyy vielä monesta koneesta ja huoltoakin ne vaativat. Laitteesta on hyvin vähän saatavilla tietoa yleiseen jakeluun, mutta ei hätää. Meiltä sitäkin löytyy. Lähdetään ensin räjäytyskuvasta. Malleja on kaksi DxWS, jossa on ulkoinen polttoaine ja vesipumppu, sekä WSC, jossa on vesipumppu ja polttoainepumppu laitteen sisällä. Eroja on, mutta itse poltin ja palotekniikka on saama

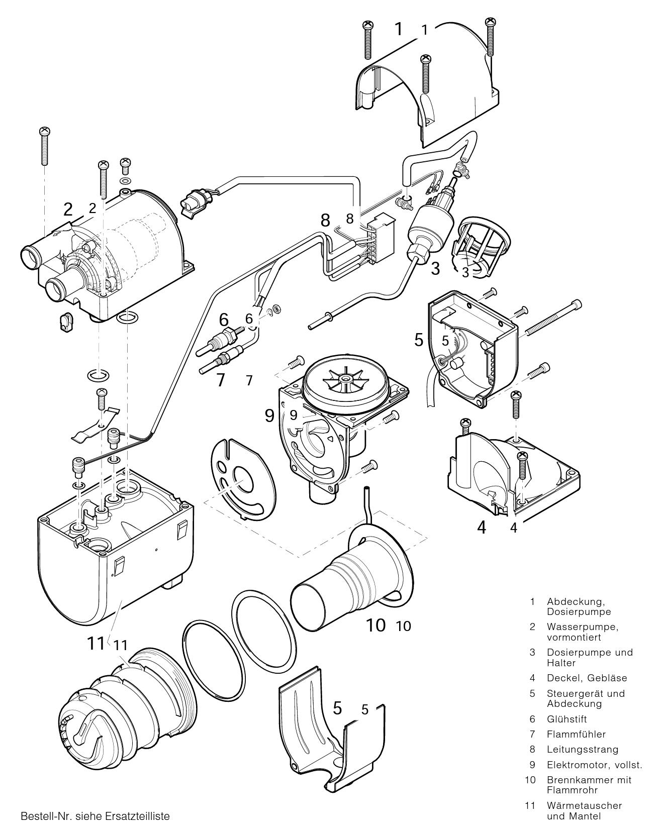
- Paloilmapuhallin
- Sähkömoottori (2)
- Lämmönvaihdin (3)
- Polttokammio (4)
- Sytytystulppa (5)
- Ohjausyksikkö A = Pakokaasu (6)
- B = Polttoaine (7)
- V = Polttoilma (8)
- WA = Veden ulosvirtaus (9)
- WE = Veden sisäänvirtaus (10)
- Pakoputki (11)
- Annostelupumppu (12)
- Pannusuodatin asennettuna annostelupumpun sisään (13)
Eberspächer D5WSC

Toimintakuvaus Hydronic D3W Z:lle
Jos ajoneuvon moottori ei tuota tarpeeksi lämpöä (lämmitysjakson aikana, kaupunkiliikenteessä, liikenteen ruuhkassa jne.), lisälämmitin käynnistyy automaattisesti ja tukee ajoneuvon omaa lämmitystä kahdessa vaiheessa: SUURI - 3300 W lämpöteho ) tai PIENI - 1600 W lämpöteho ). Kaikki käynnistys- ja säätötoiminnot sekä jäähdytysjakson jälkeinen automaattinen sammutus toimivat täysin automaattisesti. Sähkönsyöttö on suojattu 25 A pääsulakkeella. Lisätietoja ohjaus- ja turvallisuusjärjestelmistä löytyy seuraavasta Hydronic D4W SC:n toimintakuvauskohdasta.
Hydronic D4W SC / D5W SC / B4W SC / B5W SC Riippuen kytkennästä lämmitin voidaan käyttää joko pelkkänä seisontalämmittimenä tai yhdistettynä seisonta- ja lisälämmittimenä kompensoimaan ajoneuvon moottorin riittämätöntä lämmöntuottoa.
Seisontalämmityksen käynnistäminen Kun lämmitin kytketään päälle, ohjauspaneelin merkkivalo (kytkin, ajastin jne.) syttyy. Vesipumppu käynnistyy ja tietyllä ohjelmalla, joka sisältää esipesun ja esilämmityksen, polttotilassa oleva ilmaa puhaltava moottori, sytytystulppa ja annostelupumppu käynnistyvät. Kun vakaantunut liekki on muodostunut, sytytystulppa sammuu aikastetusti.
Lämmitystila:
Hydronic-sarja säätää lämmitystehoa seuraavasti:
- D4W SC / D5W SC / B4W SC / B5W SC POWER: 4000 W
- GROSS: 3300 W
- KLEIN: 1600 W
- AUS: Sammutusjakso
Lämpötilakynnykset on ohjelmoitu kiinteästi elektroniseen ohjausyksikköön. Jos lämmitystarve pienimmällä teholla "KLEIN" on niin alhainen, että jäähdytysnesteen lämpötila nousee 85 °C:een, laite siirtyy säätöjaksoon. Tämän jälkeen seuraa noin 100 sekunnin jälkilaukaisu suurella puhallinnopeudella. Merkkivalo palaa myös säätöjakson aikana, ja vesipumppu toimii säädön uudelleen käynnistämiseen asti. Kun lämmitin sammutetaan tai ilmenee toimintahäiriö, puhallin toimii pienellä nopeudella jälkilaukaisun aikana.
HUOM: Ennen lämmitystoiminnan käynnistämistä tai esiasettamista aseta ajoneuvon lämmitysläpäyttö "LÄMMIN" (maksimiasento) ja puhallin "HIDAS" (pieni virrankulutus).
Ohjaus- ja turvallisuuslaitteet:
- Liekkiä valvotaan liekkianturin (6) avulla, ja maksimilämpötilaa valvotaan ylikuumenemisenanturin (8) avulla. Molemmat vaikuttavat ohjausyksikköön, joka sammuttaa laitteen häiriötilanteissa.
Häiriötilanteet ja sammutus:
Jos lämmitin ei syty 90 sekunnin kuluessa polttoaineen syötön alkamisesta, aloitus toistetaan. Jos lämmitin ei syty uudelleen 90 sekunnin polttoaineen syötön jälkeen, seuraa häiriösammutus.
Jos liekki sammuu itsestään käytön aikana, suoritetaan ensin uusi käynnistys. Jos lämmitin ei syty 90 sekunnin kuluessa polttoaineen syötön alkamisesta tai jos se syttyy mutta sammuu uudelleen, seuraa häiriösammutus. Häiriösammutus voidaan peruuttaa sammuttamalla ja uudelleenkäynnistämällä.
Ylikuumenemisen (vesipulan, huonosti ilmautuneen jäähdytysnestekierron) yhteydessä ylikuumenemisenanturi (8) aktivoituu, polttoaineen syöttö katkaistaan ja sen jälkeen seuraa häiriösammutus. Kun ylikuumenemisen syy on korjattu, laite voidaan käynnistää uudelleen sammuttamalla ja käynnistämällä se uudelleen (edellyttäen, että laite on riittävästi jäähtynyt).
Jos jännite laskee noin 10 volttiin tai nousee noin 16 volttiin, seuraa häiriösammutus.
Jos hehkutulppa on viallinen tai annostelupumpun sähköliitäntä katkeaa, lämmitin ei käynnisty.
Taajuusohjattu polttomoottori tarkkaillaan jatkuvasti. Jos se ei käynnisty tai se tukkeutuu vikatilanteessa, seuraa häiriösammutus.
- Onko polttoainetta tankissa?
- Ovatko sulakkeet kunnossa?
- Ovatko sähköjohdot, liitokset ja liittimet kunnossa?
- Onko palamisilman ja pakokaasujen virtaus esteetön?
Sähköongelmien tarkistus:
Ennen kuin tarkistat mahdollisia ongelmia, varmista seuraavat asiat:
Jos palaminen tuottaa nokipölyä, tarkista seuraavat asiat:
Onko palamisilman tai pakokaasujen virtaus tukkeutunut? Jos kyllä, poista tukkeuma.
Annostelupumppu syöttää liikaa polttoainetta? Mittaa polttoaineen määrä ja vaihda tarvittaessa annostelupumppu.
Onko lämmönvaihtimessa kerrostumia? Puhdista lämmönvaihdin ja vaihda se tarvittaessa.
Toiminta- ja vikatesti:
Yhdistä EDITH-diagnostiikkalaite Hydronic D3W Z:hen tai Hydronic D4W SC / D5W SC / B4W SC / B5W SC -laitteeseen sovituskaapelin avulla (katso alla oleva kuva). Sovituskaapelin tilausnumero on 22 1000 30 71 00.
Irrota ensin liitäntäjohto ohjauslaitteen ja johdon puun (1) välillä.
Liitä sovituskaapeli (3) johdon puuhun (2) diagnostiikkalaitteeseen.
Liitä sovituskaapeli (3) ohjauslaitteen johdon puuhun ja johtoon.
Liitä 8-napainen litteä liitin (4) diagnostiikkalaitteeseen.
Jätä liitin (5) vapaaksi.
Aloita diagnostiikkakysely.
Käynnistä HYDRONIC-lämmityslaitteet ohjauslaitteen kautta (kohta 6a) tai D3W Z -lisälämmitin päälle kääntämällä sytytys ja käynnistämällä moottori (kohta 6b). Jos on asennettu 5 ° C lämpötilakytkin, se on ohitettava käynnistämiseksi.
Huomio: Noudata liittämisen järjestystä. Suorita diagnostiikkatesti EDITH-diagnostiikkalaitteella tai moduulikellolla.
Ylijännite - Sammutus 011
- Irrota liitin B1/S1, käynnistä ajoneuvon moottori, mittaa jännite liittimessä B1 kammion 1 (johto 2,52 rt) ja kammion 2 (johto 2,52 br) välillä. Jos jännite on >15 volttia tai >28 volttia, tarkista laturin säädin tai akku.
Alijännite - Sammutus 012 Alijännite kestää vähintään 20 sekuntia katkoksitta ohjausyksikössä --> Hydronic ei toimi.
- Irrota liitin B1/S1, ajoneuvon moottori on sammutettu, mittaa jännite liittimessä B1 kammion 1 (johto 2,52 rt) ja kammion 2 (johto 2,52 br) välillä. Jos jännite on <10 volttia tai <20 volttia, tarkista sulakkeet, virtajohtimet, maadoitusliitokset ja akun pluspiste jännitteen laskun (korroosion) varalta.
Ylikuumeneminen (Ohjelmisto - Kynnysarvo) 014
- Ylikuumenemislämpötila ylikuumenemisanturissa >125 °C.
- Tarkista vesikierto:
- Tarkista kaikki letkuliitännät tiiveyden suhteen.
- Onko jäähdytyspiirissä asennettu kuristin?
- Onko termostaatin ja takaiskuventtiilin asennuksessa noudatettu virtaussuuntaa?
- Onko jäähdytyspiiri ilmattu huolellisesti?
- Tarkista vesipumpun toiminta.
- Tarkista vesikierto:
- Tarkista kaikki letkuliitännät tiiveyden suhteen.
- Onko jäähdytyspiirissä asennettu kuristin?
- Onko termostaatin ja takaiskuventtiilin asennuksessa noudatettu virtaussuuntaa?
- Onko jäähdytyspiiri ilmattu huolellisesti?
- Tarkista vesipumpun toiminta.
- Tarkista lämpötila- ja ylikuumenemisanturit ja vaihda ne tarvittaessa - katso tarkastusarvot. Ohjausyksikkö on lukittu.
- Poista ohjausyksikön lukitus nollaamalla vikamuisti moduulikellolla tai diagnostiikkalaitteella.
- Tarkista vesikierto:
- Tarkista kaikki letkuliitännät tiiveyden suhteen.
- Onko jäähdytyspiirissä asennettu kuristin?
- Onko termostaatin ja takaiskuventtiilin asennuksessa noudatettu virtaussuuntaa?
- Onko jäähdytyspiiri ilmattu huolellisesti?
- Tarkista vesipumpun toiminta
Lämpötilaero ylikuumenemisanturin ja lämpötila-anturin välillä >25 K. Edellytys tämän vikakoodin näyttämiselle on, että Hydronic on toiminnassa ja ylikuumenemisanturin vesilämpötila on vähintään 80 °C.
Ylijännite: sammutus
Ylijännite kestää vähintään 20 sekuntia katkoksitta ohjausyksikössä --> HYDRONIC ei toimi. Irrota liitin B1/S1, käynnistä ajoneuvon moottori, mittaa jännite liittimessä B1 kammion 1 (johto 2,52 rt) ja kammion 2 (johto 2,52 br) välillä. Jos jännite on >15 volttia tai >28 volttia, tarkista laturin säädin tai akku.
Alijännite: sammutus
Alijännite kestää vähintään 20 sekuntia katkoksitta ohjausyksikössä --> HYDRONIC ei toimi. Irrota liitin B1/S1, ajoneuvon moottori on sammutettu, mittaa jännite liittimessä B1 kammion 1 (johto 2,52 rt) ja kammion 2 (johto 2,52 br) välillä. Jos jännite on <10 volttia tai <20 volttia, tarkista sulakkeet, virtajohtimet, maadoitusliitokset ja akun pluspiste jännitteen laskun (korroosion) varalta.
täydellinen vikaluettelo löytyy Blogistamme Täältä:
Polttoaineen määrän mittaus:
HUOMIO! Suorita polttoaineen mittaus vain riittävästi ladatulla akulla. Ohjausyksikössä on oltava mittauksen aikana vähintään 11 volttia tai enintään 13 volttia.
Valmistelu Irrota suojaus ja annostelupumppu (vain Hydronic D4W SC / D5W SC). Irrota polttoaineputki lämmittimestä tai palokammion liittimestä (Hydronic D4W SC / D5W SC) ja johda se mittalasiin. Käynnistä lämmitin; kun polttoainetta pumppaillaan tasaisesti (noin 40 sekuntia käynnistämisen jälkeen), polttoaineputki on täynnä ja ilma on poistunut. Sammuta lämmitin ja tyhjennä mittalasi.
Mittaus Käynnistä lämmitin. Polttoaineen syöttö alkaa noin 40 sekuntia käynnistämisen jälkeen. Pidä mittalasia glühstiftin korkeudella mittauksen aikana. 90 sekunnin polttoaineen syötön jälkeen se katkeaa automaattisesti. Sammuta lämmitin. Lue polttoaineen määrä mittalasista.
Hydronic D3W Z:
- Max: 7,8 cm³ / 90 s
- Min: 6,8 cm³ / 90 s
Hydronic D4W SC:
- Max: 7,7 cm³ / 90 s
- Min: 6,7 cm³ / 90 s
Hydronic D5W SC:
- Max: 8,6 cm³ / 90 s
- Min: 7,5 cm³ / 90 s
Hydronic B4W SC:
- Max: 10,7 cm³ / 90 s
- Min: 9,3 cm³ / 90 s
Hydronic B5W SC:
- Max: 12,0 cm³ / 90 s
- Min: 10,5 cm³ / 90 s
Fyysisen lämpötilan mittaus tapahtuu mittaamalla vastusarvoa, katso seuraavat kaaviot.

Räjäytyskuva D5WSC
