Polttoainekäyttöinen lisälämmitin on ensisijainen valinta autoon meillä pohjolan kylmissä oloissa. Lisälämmitin sulattaa lasit, lämmittää sisätilat ja nopeuttaa moottorin lämpenemistä ja pitää auton lämpimänä taukojen aikana.
Tässä artikkelissa käsittelemme pääpiirteittäin sen, miten lämmittimen asennus suoritetaan MB W906 autoon. Tämä ei ole 1:1 asennusohje ja kun autoa on valmistettu useina erilaisina malleina useiden vuosien ajan, on huomioitava, että mallikohtaisia eroja saattaa olla emmekä voi taata, että jokainen yksityiskohta osuu kaikkiin tämän mallisarjan autoihin 1:1. Asennus voidaan toteuttaa myös toisella tavalla. Etenkin sähkökaavion värit voivat vaihdella. Emme vastaa asennusohjeen tai väärän asennuksen aiheuttamista vahingoista.
Mitä tarvitaan asennukseen?
1. Tarvitset sopivan lisälämmittimen. Lisälämmitin voi olla joko Autoterm, Webasto tai Eberspächer 5Kw versio.
2. Tarvitset asennussarjan. Eberspächer ja Webasto lämmittimiin myydään asennussarja erikseen, Autoterm lämmittimessä se on mukana yleismallisena. Yleensä tähän autoon sopii yleismallinen asennussarja, ja sillä asennus suoritetaan.
3. Puhaltimen ohjaus. Sisäpuhaltimen ohjaus onkin sitten haastavampi juttu. Niihin on vuosien saatossa tarjottu useita eri vaihtoehtoja ja vaihtoehdot riippuvat sekä auton mallista, että sen sisätilan ilmanvaihdon tyypistä. Tyypillisesti manuaalisella ilmastoinnilla varustettuun malliin riittää joko releohjaus tai IPCU yksikkö, mutta automaatti ilmastointiin vaaditaan aina CAN väyläohjaus. Tähän palaamme tuonnempana.

Komponentit ja niiden sijainnit
- Lämmityslaite
- Pakoputki pakokaasun äänenvaimentimella
- Vesipumppu
- Palamisilman putki
- Sulakepidin
- Pyyhkäisynappi EasyStart Remote / Remote+ / Web
- Puhaltimen rele (vain ajoneuvoissa ilman tai manuaalisella ilmastoinnilla)
- IPCU-moduuli (vain ajoneuvoissa, joissa on ilmastointi Tempmatik)
- EasyStart Remote / Remote+ -asemayksikkö
- Annostelupumppu
- Polttoaineen otto tankista
Kaaviokuva asennuksesta

Lämmitysneste kytketään puhallinkennoa ennen niin, että se lämmittää sisätilan puhaltimelle menevän nesteen. Puhallinkennolle menevä letku katkaistaan ja hyödynnetään asennussarjassa olevia letkuja lämmittimen liittämiseen vesikiertoon.
Lämmityslaite sijoitetaan moottoritilan oikeaan etureunaan kulkusuuntaan nähden. Pakoputki taivutellaan etukulmasta alas. Polttoaine otetaan suoraan pääpolttoainesäiliöstä joka sijaitsee auton puolivälin vaiheila. Polttoainepumppu sijoitetaan matkustamon alle.
Lämmittyslaite asennetaan rintapeltiin pystyasentoon, niin, että palokammio osoittaa alaspäin.
Tankkiliitäntä
Polttoaineen tankkiotin liitetään suoraan tankkikalusteeseen. Irrota tankkiliitäntä ja kalusta tankkiliitin kanteen poraamalla reikä kuvan osoittamaan kohtaan. Taivuttele putki kalusteen ulkopuolelle niin, että se yltää lähes tankin pohkaan saakka. Käytä tarvittaessa taipuisaa letkua. Kalusta polttoainepumppu kiinnityssarjalla suojaisaan paikkaan auton pohjaan ja vedä polttoainelinja lämmittimelle.

Puhaltimen Kytkennät
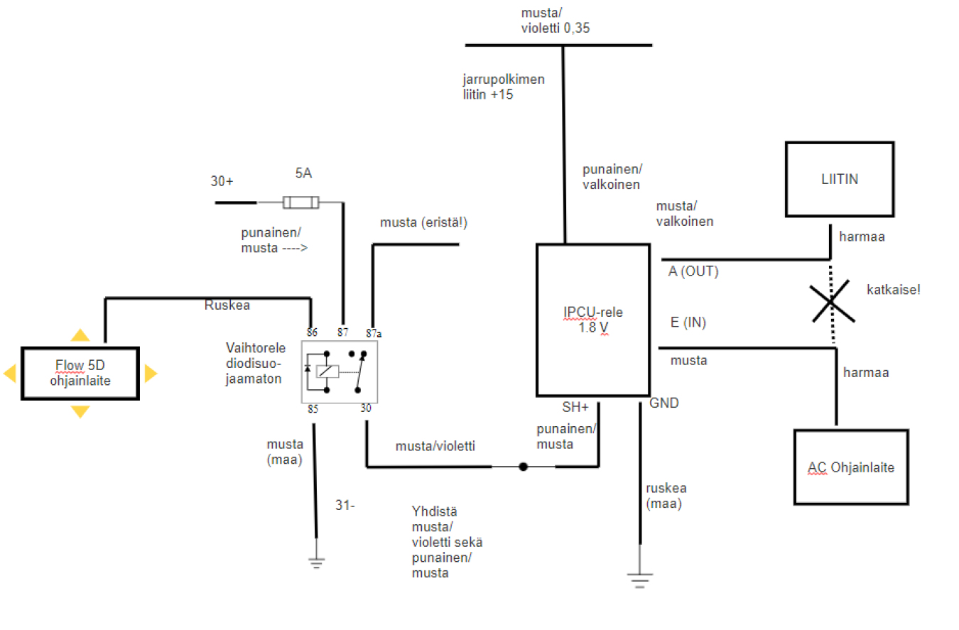
Manuaalinen ilmastointi

Manuaaliseen ilmastointiin puhallinkytkentä toteutetaan IPCU releellä IPCU liitetään hansikaslokeron takana olevasta tilasta. Katkaie harmaa johto ja liitä IPCU releen musta ja musta/valkoinen johto kyseiseen johtoon. Musta ohjainlaitteelle päin ja MUSTA/ valkoinen liittimelle päin.


Yläkuvassa oleva valkoinen liitin löytyy jarrupolkimen yläpuolelta. Ota +15 virta IPCU:lle - liitä IPCU:lta tuleva punainen/valkoinen johto musta/violetti johtoon. Ohjaa IPCU-relettä vaihtoreleellä (kts kytkentäkaavio). Käytä diodisuojaamatonta vaihtorelettä. Vaihda sulake 5A. Ohjelmoi IPCU jänniteohjaimeksi: 100% 15kHz 1.8V High. Säädä arvoa halutessasi (1.8V … 2.2V).

Puhaltimen ohjaus automaatti-ilmastointi.
Automaatti-ilmastointimalleissa suosittelemme käyttämään HENNI CAN väylä puhallinohjainta. CAN väyläohjain komentaa suoraan automaatti-ilmastoinnin toimimaan oikein, avaamaan vesiventtiilin ja läpät.
Ennen kuin käynnistät lämmittimen, huolehdi vesijärjestelmän huolellisesta ilmauksesta. Samoin tarkasta, että polttoaine kulkeutuu lämmittimelle saakka.